Let’s learn about Ringfeder Flexible Couplings TNR 2428.1 with Dai Hong Phat, through the following article!
1. About Dai Hong Phat Corp – Ringfeder Germany
– Dai Hong Phat Corp is the official authorized representative of Ringfeder Germany in Vietnam (Ringfeder Vietnam), Laos, Cambodia, Philippines and Bangladesh. We provide genuine transmission shaft coupling solutions that meet international standards, helping to optimize the performance and durability of machinery systems.
– Ringfeder Germany – the world’s leading brand in transmission and shock absorber solutions, with over 100 years of history of creation and innovation. Founded in 1922, with the first product “friction springs“, Ringfeder has become a global symbol of prestige for quality and reliability.
– Ringfeder Flexible Couplings TNR 2428.1 products supplied by Dai Hong Phat are 100% genuine imported, with full CO/CQ, meeting international quality standards.
Certificate of Dai Hong Phat Corp is an authorized representative of Ringfeder Germany in Vietnam
2. Characteristics of Flexible Couplings TNR 2428.1
– Manufacturer brand: Ringfeder/Germany.
– Torsional Flexibility: High resilience for efficient power transmission.
– Torque [Nm]: 144 to 9600.
– Speed [rpm]: 1200 to 4750.
– Temperature Range: -50°C to +230°C.
– The shaft coupling allows for flexible adjustment of the stiffness of the round rubber piece, enabling smooth operation and optimal vibration control of the entire drive system. The coupling stiffness and shock-absorbing rubber are suitable for corresponding transmission conditions.
– The Ringfeder TNR 2428.1 (Flexible Couplings TNR 2428.1) shaft coupling features a single-row high-flex rubber spiral to connect the shaft and drive of the engine. The coupling can easily replace the elastic rubber bushings without the need for longitudinal movement of other components. It is specially designed for optimal use primarily in internal combustion engines.
View more products: Elastomer Rings TNR
See related TNS couplings: Ringfeder Flexible Couplings TNR 2428.2
| FOR ANY INQUIRIES OR QUOTATION REQUESTS, PLEASE CONTACT: SALES DEPARTMENT HOTLINE: (+84) 906 955 057 – EMAIL: INFO@DHP-CORP.COM.VN |
3. Applications of Flexible Couplings TNR 2428.1
The Torsional Highflex Couplings TNR 2428.1 (Flexible Couplings TNR 2428.1) is specially designed and optimized for use primarily in internal combustion engines. It is mounted between the engine and the transmission box, suitable for machinery such as excavators, cranes, crushers, or articulated dump trucks.
Learn more about: What is a flexible shaft coupling? Common types of flexible shaft couplings
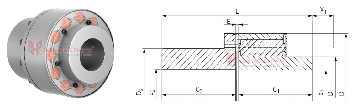
4. Technical of Ringfeder Flexible Couplings TNR 2428.1
| Catalogue Ringfeder TNR 2428.1 Coupling |
Installation Ringfeder TNR 2428.1 Coupling |
||||||

| Couplings Model TNR 2428.1 |
Dimensions [mm] | Gwub [kg] |
|||||
| d1f max | d2f max | D | D1 | D2 | L | ||
| 120.1 | 50 | 55 | 120 | 73 | 85 | 134 | 6.7 |
| 160.1 | 70 | 75 | 160 | 100 | 115 | 184 | 16.3 |
| 200.1 | 90 | 105 | 200 | 129 | 155 | 235 | 34.9 |
| 260.1 | 115 | 130 | 260 | 165 | 195 | 286 | 69.7 |
| 320.1 | 145 | 165 | 320 | 210 | 245 | 357 | 137 |
| 400.1 | 185 | 215 | 400 | 275 | 305 | 468 | 278 |
| 500.1 | 230 | 250 | 500 | 335 | 350 | 610 | 527 |
| 640.1 | 300 | 320 | 640 | 430 | 450 | 775 | 1088 |
5. Why choose Dai Hong Phat Corp?
– 100% genuine products imported directly from Ringfeder Germany.
– Protect customers from counterfeit goods and always provide full CO/CQ documents.
– Goods in stock, fast delivery nationwide 24/7.
– Free technical consultation and support for drawings, catalogs.
– Refined processing workshop to meet individual requirements.
—————-/—————–/—————–/—————–/—————–
– Hotline: +84906.955.057 | – Email: info@dhp-corp.com.vn
– Website: https://en.daihongphat.asia/ – https://khopnoitruc.com/ – https://ringfeder.com.vn/


















