Let’s learn about KTR Flexible Couplings Rotex AH with Dai Hong Phat, through the following article!
1. About Dai Hong Phat Corp- KTR Germany
– Dai Hong Phat Corp is the official authorized representative of KTR Germany in Vietnam (KTR Vietnam). We provide genuine transmission shaft coupling solutions, meeting international standards, helping to optimize the performance and durability of machinery systems.
– KTR was established in 1959 in Germany. KTR is an abbreviation of
K – Kupplung (Coupling) | T – Technology (Technology) | R – Rheine (Region)
– KTR products: Rotex shaft coupling, Clampex shaft locking joint, hydraulic brake, …
– KTR Flexible Couplings Rotex AH products supplied by Dai Hong Phat are 100% genuine imported, with full CO/CQ, meeting international quality standards.

Certificate of Dai Hong Phat as Authorized Distributor of KTR Germany in Vietnam
See more: Other KTR Flexible Couplings
2. Characteristics of KTR Flexible Couplings Rotex AH
– Manufacturer brand: KTR/Germany.
– Features a flexible split hub design.
– The jaw coupling helps to reduce vibration, providing flexible operation with split shafts.
– Simple design for easy assembly and disassembly with only four screws.
– Available in both cylindrical bore and without keyway.
– Hubs are made of steel.
– Allows for replacement of the insert without the need to move both sides.
– Positive locking center connection with friction.
– Inline and angular misalignment capabilities.
– Fully detachable for easy maintenance.
– No regular maintenance required.
– Compliant with ATEX standards (as per EU Directive 2014/34/EU).
– Ensures transmission of power while reducing torsional vibration and absorbing vibrations caused by uneven machine operation.
– Previously available polyurethane inserts with yellow, red, and natural white colors with green teeth are still available upon request.
See more products: KTR Flexible Couplings Standard
See more specifications: KTR Elastomer Rings Rotex
| FOR ANY INQUIRIES OR QUOTATION REQUESTS, PLEASE CONTACT: SALES DEPARTMENT HOTLINE: +84 906 955 057 – EMAIL: INFO@DHP-CORP.COM.VN |
3. Applications of KTR Rotex AH Flexible Couplings
The combination of KTR Rotex AH Flexible Couplings and this brake disc is used wherever brake holding or maintenance braking is required, such as on conveyors, power generators, turbine drive systems, industrial fans, shaft hoists, and winches. Drive systems related to safety are better integrated with Rotex centers made of steel/GJS. Applications with moderate demands can be combined with GJL centers.
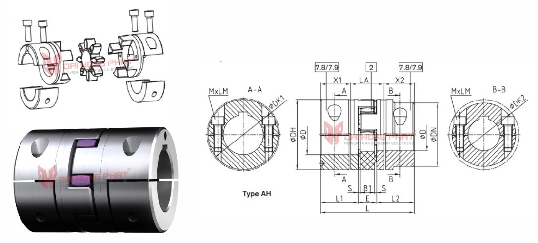
4. Technical specifications of KTR Rotex AH Flexible Couplings
| Catalogue KTR Rotex AH Coupling |
Installation KTR Rotex AH Coupling |
||||||

| Coupling Size |
Bore D [mm] |
Dimension [mm] | Cap screws DIN EN ISO 4762 |
||||||
| L | L1;L2 | DH | DN | DK1 | DK2 | MxLM | TA [Nm] | ||
| AH 19 | 20 | 66 | 25 | 40 | — | 46 | — | M6x16 | 14 |
| AH 24 | 28 | 78 | 30 | 55 | — | 57.5 | — | M6x20 | 14 |
| AH 28 | 38 | 90 | 35 | 65 | — | 73 | — | M8x25 | 35 |
| AH 38 | 45 | 114 | 45 | 80 | — | 83.5 | — | M8x30 | 35 |
| AH 42 | 50 | 126 | 50 | 95 | 85 | — | 93.5 | M10x30 | 69 |
| 55 | 126 | 50 | 95 | — | 97 | — | M10x35 | 69 | |
| AH 48 | 55 | 140 | 56 | 105 | 95 | — | 105 | M12x35 | 120 |
| 60 | 140 | 56 | 105 | — | 108.5 | — | M12x40 | 120 | |
| AH 55 | 65 | 160 | 65 | 120 | 110 | — | 119.5 | M12x40 | 120 |
| 70 | 160 | 65 | 120 | — | 122 | — | M12x45 | 120 | |
| AH 65 | 70 | 185 | 75 | 135 | 115 | — | 123.5 | M12x40 | 120 |
| 80 | 185 | 75 | 135 | — | 132.5 | — | M12x45 | 120 | |
| AH 75 | 80 | 210 | 85 | 160 | 135 | — | 147.5 | M16x50 | 295 |
| 90 | 210 | 85 | 160 | — | 158 | — | 295 | ||
| AH 90 | 90 | 245 | 100 | 200 | 160 | — | 176 | M20x60 | 580 |
| 110 | 245 | 100 | 200 | — | 197 | — | 580 | ||
| AH 100 | 110 | 270 | 110 | 225 | 180 | — | 185.5 | M16x50 | 295 |
| AH 110 | 120 | 295 | 120 | 255 | 200 | — | 208 | M20x60 | 580 |
| AH 125 | 140 | 340 | 140 | 290 | 230 | — | 242.5 | M24x70 | 1000 |
5. Why choose Dai Hong Phat Corp?
– 100% genuine products imported directly from KTR Germany.
– Protect customers from counterfeit goods and always provide full CO/CQ documents.
– Goods in stock, fast delivery nationwide 24/7.
– Free technical consultation and support for drawings, catalogs.
– Refined processing workshop to meet individual requirements.
—————-/—————–/—————–/—————–/—————–
– Hotline: +84906.955.057 | – Email: info@dhp-corp.com.vn
– Website: https://en.daihongphat.asia/ – https://khopnoitruc.com/ – https://ringfeder.com.vn/




















