Let’s learn about Ringfeder Servo Couplings GWE 5113 with Dai Hong Phat, through the following article!
1. About Dai Hong Phat Corp – Ringfeder Germany
– Dai Hong Phat Corp is the official authorized representative of Ringfeder Germany in Vietnam (Ringfeder Vietnam), Laos, Cambodia, Philippines and Bangladesh. We provide genuine transmission shaft coupling solutions that meet international standards, helping to optimize the performance and durability of machinery systems.
– Ringfeder Germany – the world’s leading brand in transmission and shock absorber solutions, with over 100 years of history of creation and innovation. Founded in 1922, with the first product “friction springs“, Ringfeder has become a global symbol of prestige for quality and reliability.
– Ringfeder Servo Couplings GWE 5113 products supplied by Dai Hong Phat are 100% genuine imported, with full CO/CQ, meeting international quality standards.
Certificate of Dai Hong Phat Corp is an authorized representative of Ringfeder Germany in Vietnam
See more products: Other Ringfeder GWE servo shaft couplings
2. Ringfeder GWE 5113 Coupling – Backlash-free, superior concentricity
RINGFEDER® Servo Couplings GWE 5113 is a “jaw coupling” type elastomer coupling designed with single-slit clamping hubs, super compact size, very high concentricity to help smooth transmission, reduce vibration – shock load and ensure position accuracy. 7 size range, moment 3–560 Nm, maximum speed 4,000–15,000 rpm, shaft diameter 4–56 mm.
2.1. Technical highlights
– Absolutely backlash-free thanks to the tight fitting design of the elastomer “spider” → maintains position accurately even when reversing.
– Vibration reduction – shock loading, compensation for shaft misalignment (radial/axial/angular), no longitudinal shaft when mounting (axially pluggable), fail-safe construction and insulation.
– Outstanding concentricity thanks to mass-optimized aluminum hub, symmetrical clamping groove arrangement & screw position, non-slotted washers → even torque transmission, low vibration.
– Standard spider Red Polyurethane 98 Sh A, optional 4 hardness levels from 80 Sh A to 64 Sh D to fine-tune the torsional stiffness – damping of the drive system.
– Mandatory laser engraving (type code, production date, screw tightening torque according to both SI/Imperial) and QR code leading to manual (from size 19) → convenient retrieval & installation.
– ATEX option according to Directive 2014/34/EU and DIN EN ISO 80079-36:2016 for potentially explosive environments.
See product details: Ringfeder GWE rubber elements
2.2. Servo Shaft Coupling GWE 5113 Specifications
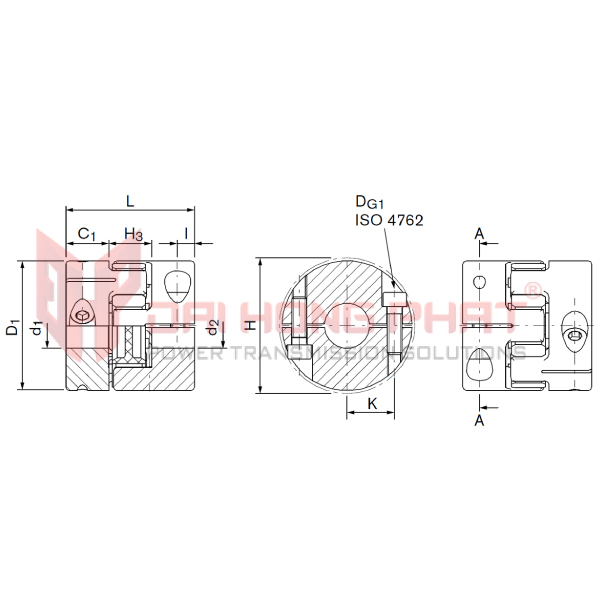
– Size: 7 sizes (12, 14, 19, 24, 28, 38, 42).
– Shaft diameter (d): 4–56 mm · Total length (L): 32–102 mm · Outside diameter: 24.5–94.5 mm.
– Allowable torque: 3–560 Nm · Maximum speed: 15,000 → 4,000 rpm depending on size.
– Reference weight: ~0.033–1.21 kg; moment of inertia J: 2.96×10⁻⁶ → 1.793×10⁻³ kg·m² (depending on size).
> Note: Detailed data sheets for each size (mounting dimensions, torque, speed, weight, J, thread – tightening torque, etc.) are available in the Tech Paper “RINGFEDER® GWE 5113”.
2.3. Typical applications
Suitable for drive systems requiring high positional accuracy and smoothness: servo/linear & motion control, measuring – control machines, grinding/milling spindles, machine tools, conveyors, robots, test benches, packing, wood – textile, multi-spindle, etc.
View product: Ringfeder GWE 5103.1 servo shaft coupling
| FOR ANY INQUIRIES OR QUOTATION REQUESTS, PLEASE CONTACT: SALES DEPARTMENT HOTLINE: +84906 955 057 – EMAIL: INFO@DHP-CORP.COM.VN |
3. Why choose GWE 5113 for servo system & precision transmission?
– High concentricity + low inertia: aluminum hub optimizes mass to reduce inertia load, fast response – smooth.
– Customizable torsional stiffness: choose spider according to stiffness (Shore) to balance between angular accuracy and vibration reduction.
– Reliable & easy to maintain: fail-safe structure, laser engraved parameters, QR manual; ATEX available when needed.
3.1. Quick selection guide
– Step 1 – Calculate required torque: TKn = (9950xP[kW]) / n(v/ph) × load factor according to working characteristics.
– Step 2 – Choose rubber stiffness of coupling:
+ Stiffness (Sh A) → good shock absorption, suitable for packaging machines/conveyors.
+ Stiffness (Sh D) → high torsional stiffness, servo response/position control.
– Step 3 – Check bore range, speed, installation dimensions according to Catalog GWE 5113.
3.2. Installation & operation
– Keep shaft tolerance g6–h7, align within allowable offset limits; tighten screws according to recommended torque engraved on the GWE 5113 coupling hub.
– Select spider according to environment (heat/chemical) and desired stiffness; for explosion-prone areas, select ATEX version.
4. Technical drawing of the Elastomer Jaw Couplings GWE 5113:
| Catalogue Ringfeder GWE 5113 |
Installation Ringfeder GWE 5113 |
||||||

| Coupling Model |
nmax | TKN | Dimensions[mm] | Gw | |||
| [1/min] | [Nm] | d1, d2 min-max | D1 | L | H | [kg] | |
| GWE 5113-12 | 15000 | 9 | 4_12 | 24.5 | 34 | 12 | 0.033 |
| GWE 5113-14 | 13000 | 12,5 | 5_15 | 29.5 | 32 | 13 | 0.05 |
| GWE 5113-19 | 10000 | 17 | 8_20 | 39.5 | 50 | 16 | 0.14 |
| GWE 5113-24 | 7000 | 60 | 10_32 | 54.5 | 54 | 18 | 0.21 |
| GWE 5113-28 | 6000 | 160 | 14_35 | 64.5 | 62 | 220 | 0.377 |
| GWE 5113-38 | 5000 | 325 | 15_45 | 79.5 | 76 | 23 | 0.694 |
| GWE 5113-42 | 4000 | 450 | 20_56 | 94.5 | 102 | 26 | 1.21 |
5. Why choose Dai Hong Phat Corp?
100% genuine products imported directly from Ringfeder Germany.
Protect customers from counterfeit goods and always provide full CO/CQ documents.
Goods in stock, fast delivery nationwide 24/7.
Free technical consultation and support for drawings, catalogs.
Refined processing workshop to meet individual requirements.
—————-/—————–/—————–/—————–/—————–
With more than 15 years of experience, Dai Hong Phat Shaft Coupling is proud to be a trusted partner of hundreds of domestic and foreign enterprises.
Let us accompany your sustainable development!
DAI HONG PHAT TECHNICAL PRODUCTION TRADING SERVICES CO., LTD
– Ho Chi Minh City Office: 22 Street 11, Khang Dien Residential Area, Duong Dinh Hoi Street, Phuoc Long Ward, City. HCM
– Hanoi Office: No. 14-15A, 7th Floor, Charmvit Building, No. 117 Tran Duy Hung, Thanh Xuan Ward, Hanoi City.
– Tel HCM: +84.28.22536631 – 22536632 – 66818587 | | Fax: 028.22536632
– Hotline: 0906.955.057 | – Email: info@dhp-corp.com.vn
– Website: https://en.daihongphat.asia/ – https://khopnoitruc.com/ – https://ringfeder.com.vn/



















