Let’s learn about Ringfeder Servo Couplings GWE Z5106.1 with Dai Hong Phat, through the following article!
1. About Dai Hong Phat Corp – Ringfeder Germany
– Dai Hong Phat Corp is the official authorized representative of Ringfeder Germany in Vietnam (Ringfeder Vietnam), Laos, Cambodia, Philippines and Bangladesh. We provide genuine transmission shaft coupling solutions that meet international standards, helping to optimize the performance and durability of machinery systems.
– Ringfeder Germany – the world’s leading brand in transmission and shock absorber solutions, with over 100 years of history of creation and innovation. Founded in 1922, with the first product “friction springs“, Ringfeder has become a global symbol of prestige for quality and reliability.
– Ringfeder Servo Couplings GWE Z5106.1 products supplied by Dai Hong Phat are 100% genuine imported, with full CO/CQ, meeting international quality standards.
Certificate of Dai Hong Phat Corp is an authorized representative of Ringfeder Germany in Vietnam
2. Characteristics of the Servo Ringfeder GWE Z5106.1:
– The elastomer jaw couplings GWE Z5106.1 are manufactured by Ringfeder/Germany.
– Made of steel
– Available in 7 different sizes
– Bore diameter (d): 5-60 mm
– Outer diameter (D): 30-105 mm
– Coupling length (L1): 35-140 mm
– Shaft length (L3): 85-3,000 mm
– Vibration damping
– Torque range: 0.5 – 650 Nm
– Compensates for radial, axial, and angular misalignment
– Lightweight, with hubs made of aluminum
– Optimized vibration reduction through various levels of stiffness of the elastomer insert
– Compliant with standards using red-colored elastomer inserts. Hardness of 98 ShA for sizes up to 55 and 95 ShA for size 65 and above.
– Can accommodate shaft separations of up to 3000 mm.
– Thwarting and insulation
– Optional coupling hubs with spline grooves to DIN 6885-1 standards
– This servo motor coupling is also used to connect large disengaged shafts. GWE Z5106.1 consists of two Ringfeder GWE 5106, connected by a precision aluminum intermediate sleeve. The shaft misalignment tolerance must fall within the range of ‘g6’ to ‘h7’.
View more product “Elastomer Jaw Couplings GWE 5112“
| FOR ANY INQUIRIES OR QUOTATION REQUESTS, PLEASE CONTACT: SALES DEPARTMENT HOTLINE: +84906 955 057 – EMAIL: INFO@DHP-CORP.COM.VN |
3. Applications of the Elastomer Jaw Couplings GWE Z5106.1:
The coupling is used to transmit torque and rotational motion with the highest angular accuracy when there is a large distance between shafts. The application range of Elastomer Jaw Couplings GWE Z5106.1 cover most engineering fields where power transmission and rigidity are crucial.
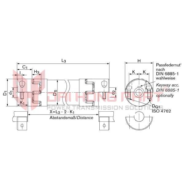
4. Technical of the Elastomer Jaw Couplings GWE Z5106.1:
| Catalogue Ringfeder GWE Z5106.1 |
Installation Ringfeder GWE Z5106.1 |
||||||

| Coupling Model |
T | Cm | Dimensions [mm] | ||||
| [Nm] | [Nm/rad] | d1; d2 min-max |
D1 | D5 | L3 min-max |
DG1 | |
| GWE 5106.1-14 | 12,5 | 1526 | 5 – 16 | 30 | 30 | 85 – 3000 | 2xM3 |
| GWE 5106.1-19 | 17 | 3244 | 6 – 20 | 40 | 40 | 146 – 3000 | 2xM6 |
| GWE 5106.1-24 | 60 | 6631 | 10 – 32 | 55 | 50 | 180 – 3000 | 2xM6 |
| GWE 5106.1-28 | 160 | 11815 | 10 – 38 | 65 | 60 | 216 – 3000 | 2xM8 |
| GWE 5106.1-38 | 325 | 44929 | 12 – 48 | 80 | 80 | 266 – 3000 | 2xM8 |
| GWE 5106.1-42 | 450 | 75797 | 14 – 54 | 95 | 90 | 280 – 3000 | 2xM10 |
| GWE 5106.1-48 | 525 | 91158 | 15 – 60 | 105 | 108 | 296 – 3000 | 2xM12 |
5. Why choose Dai Hong Phat Corp?
100% genuine products imported directly from Ringfeder Germany.
Protect customers from counterfeit goods and always provide full CO/CQ documents.
Goods in stock, fast delivery nationwide 24/7.
Free technical consultation and support for drawings, catalogs.
Refined processing workshop to meet individual requirements.
—————-/—————–/—————–/—————–/—————–
With more than 15 years of experience, Dai Hong Phat Shaft Coupling is proud to be a trusted partner of hundreds of domestic and foreign enterprises.
Let us accompany your sustainable development!
DAI HONG PHAT TECHNICAL PRODUCTION TRADING SERVICES CO., LTD
– Ho Chi Minh City Office: 22 Street 11, Khang Dien Residential Area, Duong Dinh Hoi Street, Phuoc Long Ward, City. HCM
– Hanoi Office: No. 14-15A, 7th Floor, Charmvit Building, No. 117 Tran Duy Hung, Thanh Xuan Ward, Hanoi City.
– Tel HCM: +84.28.22536631 – 22536632 – 66818587 | | Fax: 028.22536632
– Hotline: 0906.955.057 | – Email: info@dhp-corp.com.vn
– Website: https://en.daihongphat.asia/ – https://khopnoitruc.com/ – https://ringfeder.com.vn/











